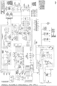
Circuit Diagrams
No More Guessing
Huzzard’s Info on Demand™ solution for Circuit Diagrams means fast and easy access to the important information your customers and technicians need. Here is how it works:
- Huzzard creates web page or portal for SKUs or serial numbers
- Numerous links are included on the page allowing your customer, or, technician to take a deeper dive.
- Click on the appropriate link for the information you desire.
- Make updates same day and say good bye to days of wasting money on reprinting circuit diagram labels that need to be updated.
- The ability to zoom in and out on the diagram via a smart tablet is one feature your technicians will love about Circuit Diagrams in the cloud.


Benefits
- Easy access to Circuit Diagram information.
- Decrease injuries and accidents.
- Potentially save lives.
- Satisfied customer.
- Web analytics produces data showing usage, frequency, data and time and location.
- Dramatically reduce costs related to reprinting and updating circuit diagram labels.
- Smart tablet can also be used for easy access to parts, service history, and other documents pertinent to the equipment.
Components of the Huzzard Info on Demand™ solution for Circuit Diagrams
- Application Development
- Authentication and Log-in sequence
- Connecting to local server or web based
- Test links and hyperlink URLs
- Info On Demand™ access labels
- NFC inlay and/or QR Code for each model, or, serial number,
- Each NFC Inlay and/or QR Code encoded with appropriate URL (web page destination) for access to the electronic (digitized) version of document.
- Hardware
- Smart Tablet or other type of handheld device capable of connecting to the Internet
- Accessories
- Shoulder strap
- Stylus
- Operation case
- Services – A la Cart Services offered by Huzzard for designing, deploying and supporting the solution
- Creation, maintenance, and hosting of portal and website housing the electronic documents.
- Repository (storage) of the electronic documents
- Version updates
- Analysis of current creation, approval, publishing and editing process
Overview of Huzzard Data Systems
Creating value through technology
“Huzzard Systems was the key player in our transition to generating serial number labels on-demand on our production lines. Their knowledge of label materials, barcode technologies, printing, programming and systems integration is outstanding“
— Production Manager, Industrial Equipment Manufacturer.
Let's Talk
Wondering how you can streamline sharing information, operations, and, cut costs? We are just a call or email away. Here is our direct line and email address. Connect today to start the conversation.